| 電壓: | DC24V | 行程: | 1MM | 電阻: | 9.6歐 | 功率: | 60W |
| 耐溫: | 壽命: | 20萬次 | 耐電壓: | 初始力: | 575G | ||
| 電流: | 2.5A | 通電率: | 10% | 彈簧回力: | 吸力: |
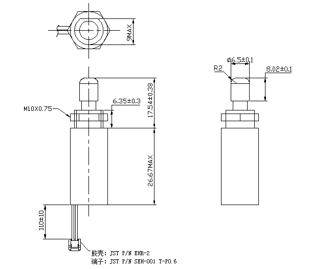
門鎖開關控制電磁鐵
型號:SDL-O0527A-24L9.6
參數
行程:1MM
電壓:DC24V
電流:2.5A
電阻:9.6歐
功率:60W
初始力:575G
通電率:10%
壽命:20萬次
環境溫度:20度
是否防水:是
產品使用行業:門鎖
產品執行功能:開關
拓展適用行業:機械設備
產品特點:體識小,吸力大。壽命長。


http://www.uni-sh.com/elinfo-91.html
http://www.uni-sh.com/elinfo-104.html
http://www.uni-sh.com/elinfo-108.html
http://www.uni-sh.com/elinfo-109.html
http://www.uni-sh.com/elinfo-110.html
http://www.uni-sh.com/elinfo-111.html
http://www.uni-sh.com/elinfo-112.html
廣州思德隆電子有限公司(http://www.uni-sh.com)創立于2005年,是一家專業生產研發電磁鐵定制加工,電磁閥定制,電磁線圈,小型電磁鐵等各類電磁產品,擁有豐富行業經驗的廣州電磁鐵廠家、廣州電磁閥廠家、電磁線圈廠家。品種多樣,規格齊全,產品從零部件到成品組裝均有自己的加工設備以及產生線,擁有高精密度檢測儀器和自主研發的老化設備,已通過(ISO9001認證)專業制造感應自動門電磁鐵/透鏡電磁鐵從產品設計到樣品以及量產,均有量化高效的工藝流程及老化實驗檢測,保證了產品的質量與訂單的按時交貨。






