按應用分類
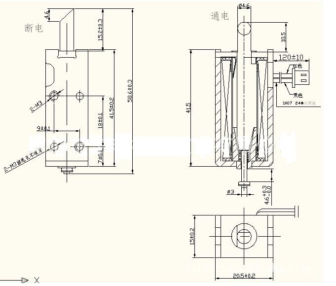
型號:SDL-U0842A-12L
產品使用對象:門鎖,感應門鎖。
產品執行功能:牽引
自動智能門鎖電磁鐵參數
| 電壓: | DC12V | 行程: | 6mm | 電阻: | 功率: | ||
| 耐溫: | 壽命: | 耐電壓: | 初始力: | 1000g | |||
| 電流: | 1.2A | 通電率: | 彈簧回力: | 吸力: |
自動智能門鎖電磁鐵產品詳情
名稱:自動智能門鎖電磁鐵
型號:SDL-U0842A-12L
電壓:DC12V
電流:1.2A
初始力:1000g
行程:6mm
產品說明及性能優劣:
1. 電磁鐵鐵芯耐磨,撞擊性好,長年使用頂部無損;
2. 銅頭與導桿之間螺紋固定點膠,并且帶有無頭螺絲固定,頻繁撞擊銅頭不會脫落;
3. 彈簧在原有基礎上加大,保證彈回有力,動感強烈;
4. 線包采用優質漆包線制成,耐溫,耐高壓,電流穩定,磁感應強度穩定;
5. 線圈裝有雙重保險絲,對于瞬間電壓過高,長時間通電發熱帶來的燒毀電磁鐵以及游戲機其他部件問題得到解決;
6.良好的框架結構設計和鉚合,有效解決電磁鐵散架問題;
7.電磁鐵壽命達到500萬次以上。動感持久不衰;
8、宇宙金門專用電磁鐵電磁鎖;
9、鎖頭呈鴨舌狀,阻力小,鐵芯內部有定向槽,鎖頭進出方向不變。

.jpg)
廣州思德隆電子有限公司(http://www.uni-sh.com)創立于2005年,是一家專業生產研發電磁鐵廠家,電磁閥,電磁線圈,小型電磁鐵等各類電磁產品,擁有豐富行業經驗的廣州牽引式電磁鐵制造商、電磁閥、電磁線圈廠家。品種多樣,規格齊全,產品從零部件到成品組裝均有自己的加工設備以及流水線,擁有高精密度檢測儀器和自主研發的老化設備,自動智能門鎖電磁鐵從產品設計到樣品以及量產,均有量化高效的工藝流程及老化實驗檢測,保證了產品的質量與訂單的按時交貨。
關鍵詞:自動智能門鎖電磁鐵,智能門鎖電磁鐵,門鎖電磁鐵廠家訂制






