按應用分類
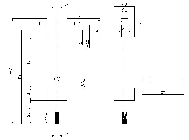
型號:SDL-O1245A-24S32
產品使用對象:液氮機研發
產品執行功能:電磁鐵代替汽缸運動
可代替氣缸運動用電磁鐵參數
| 電壓: | DC24V | 行程: | 6MM | 電阻: | 32歐 | 功率: | 18W |
| 耐溫: | 壽命: | 20萬次 | 耐電壓: | 初始力: | 950G | ||
| 電流: | 0.75A | 通電率: | 41% | 彈簧回力: | 吸力: |
可代替氣缸運動用電磁鐵產品詳情
可代替氣缸運動用電磁鐵
型號:SDL-O1245A-24S32
參數
行程:6MM
電壓:DC24V
電流:0.75A
電阻:32歐
功率:18W
初始力:950G
通電率:41%
壽命:20萬次
環境溫度:常溫
產品使用對象:液氮機研發
產品執行功能:電磁鐵代替汽缸運動



廣州思德隆電子有限公司(http://www.uni-sh.com)創立于2005年,是一家專業生產研發電磁鐵定制加工,電磁閥定制,電磁線圈,小型電磁鐵等各類電磁產品,擁有豐富行業經驗的廣州電磁鐵廠家、廣州電磁閥廠家、電磁線圈廠家。品種多樣,規格齊全,產品從零部件到成品組裝均有自己的加工設備以及產生線,擁有高精密度檢測儀器和自主研發的老化設備,已通過(ISO9001認證)專業制造直流電磁鐵定制/推拉式電磁鐵從產品設計到樣品以及量產,均有量化高效的工藝流程及老化實驗檢測,保證了產品的質量與訂單的按時交貨。
關鍵詞:代替汽缸運動元件,可代替氣缸運動用電磁鐵
| 上一篇:燈飾微動開關電磁鐵|室內繼電器電磁鐵定做 |
| 下一篇:汽車LED大燈變光電磁鐵 |






