按應用分類
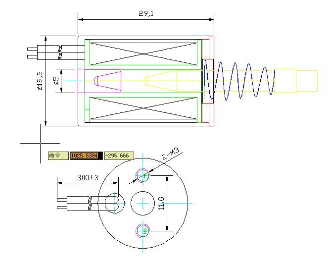
型號:SDL-O0530A-12L
產品使用對象:印刷機
產品執行功能:牽引
印刷機圓管電磁鐵參數
| 電壓: | DC12V | 行程: | 10mm | 電阻: | 功率: | ||
| 耐溫: | 壽命: | 500萬次以上 | 耐電壓: | 初始力: | 20N | ||
| 電流: | 通電率: | 彈簧回力: | 吸力: |
印刷機圓管電磁鐵產品詳情
名稱:印刷機圓管電磁鐵
型號:SDL-O0530A-12L
材料及性能說明:
1. 線包采用優質漆包線制成,耐溫,耐高壓,電流穩定,磁感應強度穩定;
2. 線圈裝有雙重保險絲,對于瞬間電壓過高,長時間通電發熱帶來的燒毀電磁鐵以及游戲機其他部件問題得到解決;
3.良好的框架結構設計和鉚合,有效解決電磁鐵散架問題。
4.電磁鐵壽命達到500萬次以上。動感持久不衰。

(1).jpg)
廣州思德隆電子有限公司(http://www.uni-sh.com)創立于2005年,是一家專業生產研發電磁鐵,電磁閥,電磁線圈,小型電磁鐵等各類電磁產品,擁有豐富行業經驗的牽引式電磁鐵制造商、電磁閥、電磁線圈廠家。品種多樣,規格齊全,產品從零部件到成品組裝均有自己的加工設備以及流水線,擁有高精密度檢測儀器和自主研發的老化設備,印刷機圓管電磁鐵從產品設計到樣品以及量產,均有量化高效的工藝流程及老化實驗檢測,保證了產品的質量與訂單的按時交貨。
關鍵詞:印刷機圓管電磁鐵,印刷機電磁鐵定制,廠家
| 上一篇:游戲機手槍電磁鐵 |
| 下一篇:偉世通透鏡變光電磁鐵 |






