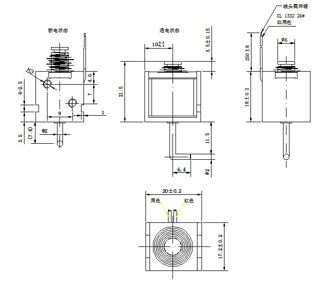
| 電壓: | DC12V | 行程: | 電阻: | 功率: | |||
| 耐溫: | 壽命: | 耐電壓: | 初始力: | ||||
| 電流: | 0.6A | 通電率: | 彈簧回力: | 吸力: |
名稱:汽車前大燈電磁鐵
型號:SDL-U0616A-12S
性能優劣:
1. 電磁鐵鐵芯耐磨,撞擊性好,長年使用頂部無損。
2. 鐵芯活動靈活,反應速度快。
3. 電磁鐵的線軸采用美國杜邦材料耐高溫耐磨損。
4. 電磁鐵溫升50~220℃其吸力仍穩定安全可靠。
5. 電磁鐵溫升50~220℃其彈簧彈力仍穩定。
6. 電磁鐵的鐵芯不用油浸,使用壽命更長。
7. 電磁鐵的鐵芯運行定位精準。
8. 高頻運行時鐵芯活動穩定,無抖晃現象。
9. 耐高壓可達到1500V~1800V/2MA左右。
10. 電磁鐵的線圈是采用德國漆包線繞制而成。
11. 電磁鐵的線圈導電性好、耗電少、發熱量低、耐溫180℃、最高可達250℃。
12. 制作電磁鐵使用的所有材料采均采用環保處理,無毒,無污染,安全可靠。
13. 鐵芯采用特殊工藝制成。耐磨、撞擊性好,長年使用頂部無磨損。
14. 保持式電磁鐵采用優質磁鐵,磁鐵吸力穩定,安全可靠。
15. 電磁鐵支架正常運行800萬次以上不脫落。
16. 電磁鐵在250度高溫下運作正常。
17.后有拉鉤,可代替Q5電磁鐵電磁閥,成本低,性能穩定。

.jpg)
廣州思德隆電子有限公司(http://www.uni-sh.com)創立于2005年,是一家專業生產研發電磁鐵,電磁閥,電磁線圈,小型電磁鐵等各類電磁產品,擁有豐富行業經驗的廣州推拉式電磁鐵定制、電磁閥、電磁線圈廠家。品種多樣,規格齊全,產品從零部件到成品組裝均有自己的加工設備以及流水線,擁有高精密度檢測儀器和自主研發的老化設備,汽車前大燈電磁鐵從產品設計到樣品以及量產,均有量化高效的工藝流程及老化實驗檢測,保證了產品的質量與訂單的按時交貨。
| 上一篇:電子投幣器電磁鐵 |
| 下一篇:繡花機/面膜機電磁鐵 |






