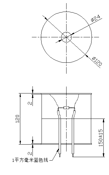
型號:SDL-XQ24120A-06L04
產品使用對象:海洋傳感與探測
產品執行功能:磁感應信號發射
廣州強力磁感全銅線圈參數
| 電壓: | DC6V | 高度: | 電阻: | 壽命: | |||
| 電流: | 1.5A | 通電率: | 100% | 耐溫: | 功率: | ||
| 線圈高斯: | 外徑: |
廣州強力磁感全銅線圈產品詳情
廣州強力磁感全銅線圈定做
型號:SDL-XQ24120A-06L04
電壓:DC6V
電流:1.5A
通電率:100%
單次通電時間:8H/S
產品使用行業:海洋傳感與探測
產品執行功能:磁感應信號發射
拓展適用行業:超強信號發射
產品特點:中心位磁感強度高,磁感強度穩定,兩端電壓6V,能連續運行8小時,線圈中心磁感應強度為15mT。


廣州思德隆電子有限公司(http://www.uni-sh.com)創立于2005年,是一家專業生產研發電磁鐵定制加工,電磁閥定制,電磁線圈,小型電磁鐵等各類電磁產品,擁有豐富行業經驗的廣州電磁鐵廠家、廣州電磁閥廠家、電磁線圈廠家。品種多樣,規格齊全,產品從零部件到成品組裝均有自己的加工設備以及產生線,擁有高精密度檢測儀器和自主研發的老化設備,已通過(ISO9001認證)專業制造強力磁感全銅線圈,廣州全銅線圈定做從產品設計到樣品以及量產,均有量化高效的工藝流程及老化實驗檢測,保證了產品的質量與訂單的按時交貨。
.jpg)
廣州思德隆電磁鐵生產廠家的電磁鐵所有應用的領域:
1、公共設施電磁鐵:自動販賣機電磁鐵、電梯剎車電磁鐵、自動售貨機電磁鐵、讀卡器電磁鐵、門閘電磁鐵、公共場所噴香機電磁閥、盲燈電磁閥、污水處理計量泵電磁鐵、電瓶車沖電樁電吸鐵、公交車破窗器電磁鐵、客車破窗器電磁鐵等。
2、通訊\工控\自動化設備電磁鐵:海洋傳感與探測、手機用電吸鐵、漏電保護開關電磁鐵、電磁先導閥、礦用電磁先導閥、電液支架電磁閥等。
關鍵詞:強力磁感全銅線圈,廣州全銅線圈定做
| 上一篇:直流耐油耐溫電磁鐵線圈制作 |
| 下一篇:電永磁吸盤電感線圈 |









