型號:SDL-XQ1325A-110
產品使用對象:廣州電磁鐵線圈生產研發廠家
產品執行功能:
廣州電磁鐵線圈生產研發廠家參數
| 電壓: | DC110V | 高度: | 電阻: | 300歐姆 | 壽命: | ||
| 電流: | 0.35A | 通電率: | 耐溫: | 功率: | |||
| 線圈高斯: | 外徑: |
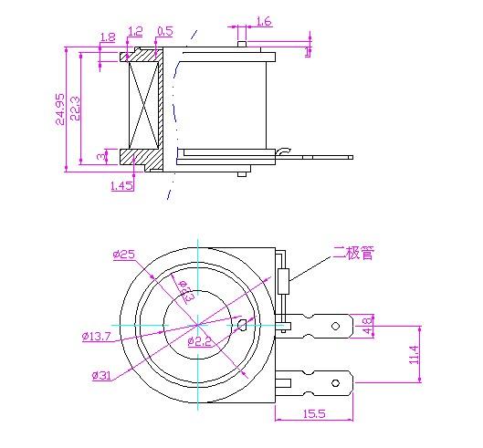
廣州電磁鐵線圈生產研發廠家產品詳情
名稱:廣州電磁鐵線圈生產研發廠家
型號:SDL-XQ1325A-110
特點:
1、絕緣層采用高質量絕緣膠帶無褶皺包合
2、采用德國進口漆包線,耐電壓達到4000V以上
3、繞線排列整齊,線圈之間阻值誤差在0.5歐姆之間
4、尺寸精度達到0.01mm,便于過盈配合裝配
5、產品外徑公差控制在0.1mm

.jpg)
廣州思德隆電子有限公司(http://www.uni-sh.com)創立于2005年,是一家專業生產研發電磁鐵,電磁閥,電磁線圈,小型電磁鐵等各類電磁產品,擁有豐富行業經驗的廣州電磁鐵、電磁閥、電磁線圈廠家。
關鍵詞:廣州電磁鐵線圈生產研發廠家,廣州電磁鐵線圈研發廠家









