按應用分類
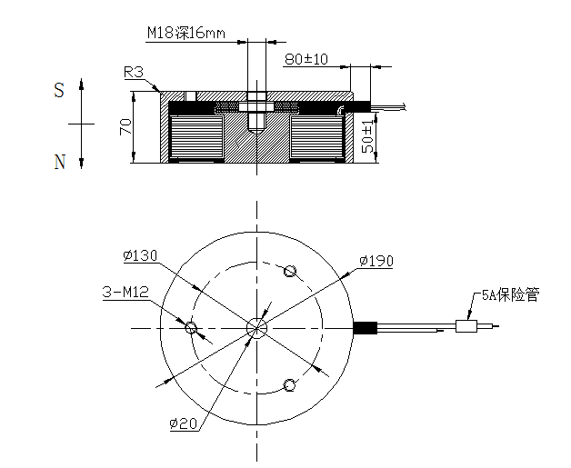
型號:SDL-DYC19070A-24L05
產品使用對象:電永磁吸盤,機械手移位重物吸盤
產品執行功能:移位重物吸盤
機械手電永磁吸盤電磁鐵參數
| 電壓: | DC24V | 行程: | 電阻: | 5歐 | 功率: | 115.2W | |
| 耐溫: | 180度 | 壽命: | 耐電壓: | 初始力: | 200kgf | ||
| 電流: | 4.8A | 通電率: | 25% | 彈簧回力: | 吸力: |
機械手電永磁吸盤電磁鐵產品詳情
機械手吸盤電磁鐵,電永磁吸盤電磁鐵
型號:SDL-DYC19070A-24L05
參數:
電壓:DC24V
電流:4.8A
電阻:5歐
功率:115.2W
初始力:200kgf
通電率:25%
絕緣等級:H類
DC24V初始值:
不通電保持力:大于等于200kgf
通電殘留吸引力:小于等于30kgf
應用:電永磁吸盤,機械手移位重物吸盤
特點:耐高溫180度;可以任意時間吸住物體不放,通電消磁,單次通電最長3分鐘. 通36V電壓完全消磁,單次通電最長1分鐘。被吸物必須是鐵、鋼類材料或者箱體是鐵、鋼類材料。 現貨供應。



廣州思德隆電子有限公司(http://www.uni-sh.com)創立于2005年,是一家專業生產研發電磁鐵定制加工,電磁閥定制,電磁線圈,小型電磁鐵等各類電磁產品,擁有豐富行業經驗的廣州電磁鐵廠家、廣州電磁閥廠家、電磁線圈廠家。品種多樣,規格齊全,產品從零部件到成品組裝均有自己的加工設備以及產生線,擁有高精密度檢測儀器和自主研發的老化設備,已通過(ISO9001認證)專業制造機械手吸盤電磁鐵,電永磁吸盤電磁鐵從產品設計到樣品以及量產,均有量化高效的工藝流程及老化實驗檢測,保證了產品的質量與訂單的按時交貨。
關鍵詞:機械手吸盤電磁鐵,電永磁吸盤電磁鐵
| 上一篇:深海地質勘探取樣器環形電永磁吸盤電磁鐵 |
| 下一篇:強力電永磁吸盤現貨供應 |






